Q11-14 Ecofit 2GDR35 133X190L Double Inlet Centrifugal Fan
| SKU | Q11-14 |
|---|---|
| Manufacturer | Ecofit |
| Fan Type | Double Inlet |
| Fan Size | 133x190 |
| Rated Voltage | 230V |
| Phase | 1~ |
| Motor | 35 |
| IP Rating | IP44 |
| ERP Compliant | Yes |
| Feature | Standard Curve |
Description
The Q11-14 Ecofit 2GDR35 133X190L double inlet centrifugal fan, is a compact, durable unit, ideal for applications requiring high airflow in restricted areas, such as HVAC, air curtains, or industrial cooling.
Key Features:
- Galvanised steel housing & flange
- Galvanised steel forward curved impellers
- Black painted external rotor motor single phase (1~)
- Motor's protection T150° C automatic reset
- Weight: 4.30 kg
- With Condensat Drain Holes
- Class F
- IP44 protection
- Ball bearing
- Balance level: G2.5
View the full range of Ecofit centrifugal fans, available to buy online. Contact us for more information or if you require a specific model not listed online.
Performance Data


Product Dimensions (mm)

Electrical Data
| Voltage (V) | Frequency (Hz) | Power (W) | Maximum Power (W) | Current (A) | Maximum Current (A) | Capacitor (μF) | Speed Rotation (RPM) | Rotation Direction | Operating Temperature (°C) | ErP Compliant |
| 230 | 50 | 163 | 164 | 0.71 | 0.79 | 4 | 1160 | CCW | -20° to +50°C | Y |
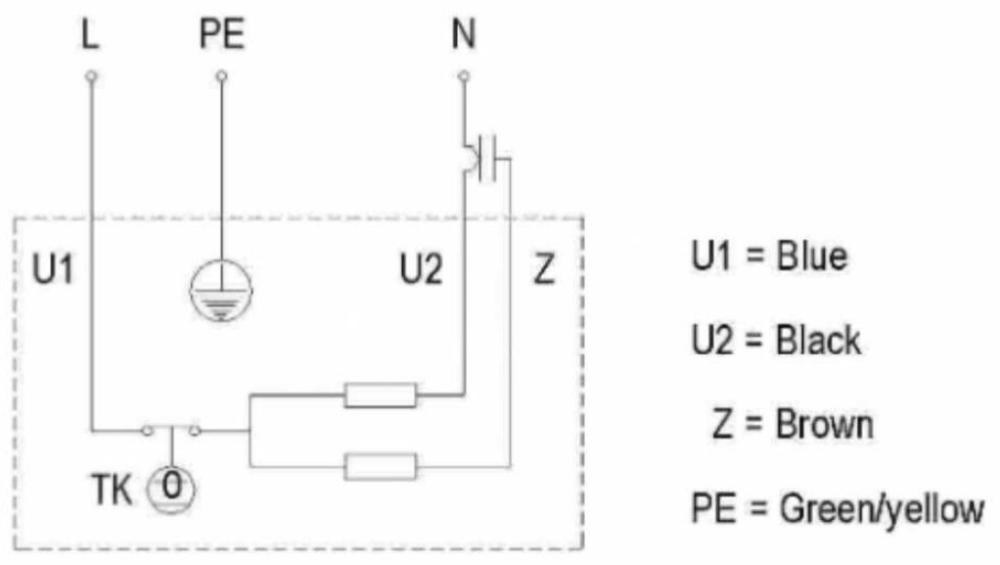
Wiring Diagram

Downloads